Калькулятор металлопроката

Данный калькулятор рассчитывает теоретический вес металлопроката.

Фактический вес определяется путём взвешивания и может отличаться от веса, указанного в данном калькуляторе.

Наша компания отгружает продукцию только по фактическому весу.

Весы, на которых производится взвешивание, имеют все необходимые документы и регулярно проходят поверку. Каждое утро перед началом погрузочных работ на наших весах взвешивается "контрольный вес".

Для уточнения фактического веса обращайтесь пожалуйста к Вашему менеджеру Акционерного общества "Металлокомплект-М".

Арматура
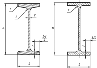
Балка
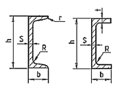
Швеллер
Лист
Круг
Профнастил
Труба ВГП
Проволока
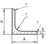
Уголок
Труба э/с
Арматура ГОСТ 5781-82

Расчитать:

Масса, кг
Диаметр, мм:

Результат:

Хотите сделать заказ?

Вы можете обратиться к нашим менеджерам по телефону или с помощью

Что будем искать?